当前位置:
PQ40D漫反射式
    发布时间: 2023-07-23 11:20    

产品描述:背景抑制型光电:

特殊光学设计,对背景物的敏感度甚微

对黑白检测距离相差不大

电位器调节可选顶调或者侧调


PQ40D漫反射式
● 内置电源逆极性保护电路,短路保护电路
● 性能稳定,响应速度快,干扰小,使用寿命长

 

产品图片
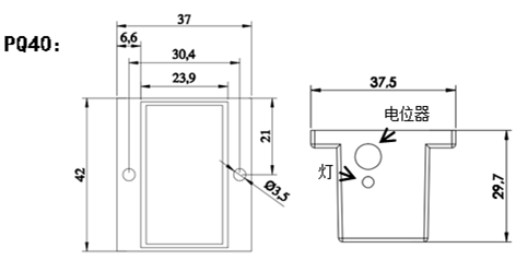
尺寸图片
   


产品选型
模拟量输出电压范围
(0.4-2v)

PQ40DMPMv1500   

PNP NO 


PQ40DBPA1500
开关量PNP NC  
PQ40DBPB1500

NPN NO  
PQ40DBNA1500

NPN NC  
PQ40DBNB1500
检测距离                          1500mm
检测方式
 漫反射式
光      源
 红外光850nm
外壳材质
 特性塑料ABS
工作范围温度
 -20~55℃
防护等级
 防水性能好
工作电压
 10-30VDC
工作电流
 ≤100mA
空载电流 
 ≤40mA
反应时间
 ≤90ms
电压降
 ≤1.5V
输出指示
 红灯输出指示
逆极性保护
 有
短路保护
 有
接线方式
 标准2米导线输出
备注以上数据来源于本公司实验室,以供参考       





配线图

PNP

NPN